|
在市场经济日新月异的时代下,中央空调系统的功能以及设计方案是越来越完善,格力中央空调,大金中央空调,约克中央空调等商家针对于中国国内的政策,不断的提升自身的技术,并在各个领域中的表现也是可圈可点。在本文中,我们将要讲述约克中央空调在办公大楼案例进行一下分析。
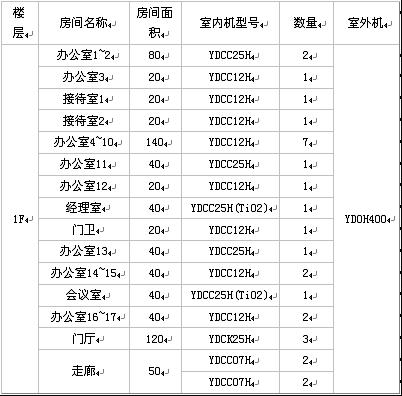
约克中央空调办公大楼案例分析
建筑面积:1200㎡
空调面积:730㎡
特点:
大空间区域采用卡式室内机,安装方便,气流分布均匀。

约克中央空调YDCK卡式天花室内机
现代流行设计,中央空调高贵大方,造型高雅。
大直径离心风扇设计,大幅降低噪音,环境更宁静,使您倍感舒适。
换热效率高,自然送风,最新电热微电脑节能控制,可自动调节室温,冬季温暖又省电。
高效过滤网,充分滤去尘埃等异物,令空气更清新,农业空调维护更方便。
内置冷凝水提升泵,带新风接入口。
约克中央空调YDCC暗转卧式
智能控制,制热充分安全可靠,运行特别宁静,送风均匀
约克中央空调室外机
多联模块机结构紧凑,在运输过程中可以以模块单机的形式进行运输,然后在安装现场按所需冷量进行模块组合;
先进的多联技术,模块机组最大可连接48台室内机,无论房间大小和结构如何多变都可以灵活组合搭配。
|